How to Enjoy the Vintage Audio I
Vintage 라 함은 여러가지 뜻을 지니는데,
Best 와 동급의 의미로 쓰이기고 하고, 특정 상품의 전성기, 최고의 상태를 뜻하기도 하며,
단순히 골동품등의 오래된 물건들을 뜻하기도 하며,
시대에 뒤졌다는 뜻을 지니기도 한다.
이 복잡미묘한 의미들 속에, 빈티지를 접하는 태도에 대한 답이 이미 담겨 있다.
사진이 지긋지긋하게 느껴졌던 작년 초,
지난 5년이상 나에게 꾸준하게 오디오 뽐뿌를 넣으셨던 선배님의 기대에 부응하고자,
적당한 빈티지 스피커를 추천받았었다.
큰 욕심을 부리지 않고 시작이면서도 부족함이 없다할 수 있는 구성으로 사려깊게 추천을 해주셨던 것 같다.
브리티시 사운드의 아이콘, Rogers LS3/5A
작고 아담하지만, 그 이상의 소리를 내어주는 스피커다.
작은 점에서 광활한 우주로 힘찬 파동이 뻗어 나가는 느낌을 받았다.
크기가 전부는 아니란 것을 알게 된 스피커...

이 스피커를 처음 들었을 때의 앰프는, AV 5.1ch 을 위해 구성했던 옛날의 YAMAHA 리시버였다. (지금 중고가로 10만원은 할까??)
그 때 나의 귀는 분명 그 구성으로도 충분히 행복했었다.
차근 차근, 빈티지의 세계로 인도하려 큰 그림을 그리셨던 선배님의 기대에 부응하지 못하고,
나는 벌컥 사고를 쳐버린다.
빈티지에 심취하는 것이 얼마나 큰 에너지 소모와 스트레스를 동반하는지,
이미 사진판에서 충분히 맛을 보았던 나는 도저히 그 길을 다시 갈 엄두가 나질 않았기 때문이다.
그래서, (나름) 한 방에 가는 길을 선택했다.
그래, 오디오는 하나 사서, 평생을 가는거야!! 삽질은 카메라로 충분했어! 가즈아~
현행기기로 적당히 유명한 브랜드에 적당한 등급의 기기를 선택했다. 딸기향 나는 신상으로...
어둠 속에서 고운 음악과 함께 귀와 눈을 동시에 반하게 했던 매킨토시 앰프의 시퍼런 레벨미터의 움직임은 매혹적이었다.
아... 이런 맛에 오디오를 하는구나, 했었다.
이 소리도 더없이 좋았었던 것 같다.
TR에서 느껴진다는 카랑카랑함보다는 끝이 부드럽고 고운결의 소리를 들려주었었다. 배음도 많이 느껴졌었고...
골수 빈티지 진공관파이셨던 선배님은 왜 저런 인티 앰프를 샀냐며 혀를 차셨다...
나를 잘 아시는 분이기에 나의 미래를 이미 보셨던 것으로 보인다. (감가가... ㅜㅜ)


설치후 AS 를 위해 방문했던 오디오샵 관계자가 나의 구성을 보고는 매우 의아하다는 표정으로 이야기했었다. 내가 뭘 잘못한거야??
"왜, 여기에 이런 스피커를 쓰죠?? 뭐 이 스피커도 매력있기는 하지만..."
'우씨, 내 맘이다~!!!'
속으로 이리 대답은 했지만, 나 역시 고민하고 있던 부분이었다. 내 귀에만 좋으면 된거지...
그런데, 이왕이면 스피커도 현행은 바꿔야 하나... 이런 고민이 무한한 loop 를 돌리고 있을때 쯤...
나를 오디오의 세계로 인도하신 (지옥불로 데려와주신) 우면산 형님 댁에 방문할 기회를 얻었다.
오디오 인생 30년이 담긴 소리란 대체 어떤 것일까...
(중략)
남의 소리를 들은 것이 화근이었다.
모든 것을 갈아 엎었다...
굳이 그래야만 했는가??!!
Muss es sein?
Es muss sein!
ㅜㅜ


아... 내가 지금 무얼 하고 있는거지 ㅜㅜ


다시 Vintage 를 즐기는 방법론으로 돌아가서...
오디오는 전기 신호를 소리 신호로 바꿔주는 시스템이다.
그러려면 각각의 부품들이 제기능을 수행해야 할 것이고,
그렇지 못하다면, 원래 설계되었던 소리를 들을 수 없을 것이다.
0.설계된 전압이 걸려야 기기가 '제대로' 동작한다.
1.전기회로 부품들(특히 콘덴서들)에게는 정해진 수명이 있다.
2.셀레늄(셀렌)은 매우 불안정한 물질이다. (셀렌 다이오드 vs 실리콘 다이오드, 오래전부터 카메라를 사용해 본 사람들은 셀레늄 노출계가 얼마나 불안정한지 잘 알 것이다.)
3.오디오는 몇십년이상 사용될 목적으로 만들어지지는 않았다.
위의 네가지 사항은 객관적인 fact이다.
주관적인 요소들은,
1.절대 손대지 마! (originality)
2.셀렌으로 정류한 것이 실리콘으로 정류한 것보다 소리가 좋다??!!
3.범블비 콘덴서가 최고
가전제품이 100년 가까운 시간동안 한번도 손을 안보았다는 것은 그렇게 믿고 싶은 이들의 희망사항일 뿐이며, 믿고 싶은 사람들은 그렇게 믿고 살면 되는 일이다.
100년가까이된 콘덴서들은 수명이 아슬아슬할 수 밖에 없다. 하나 하나씩 동작범위를 벗어나면서 고장을 일으키는데, 그런 부품을 교체하거나 덧방(은어:불알달기)을 하면, originality 가 훼손되었다며 대성통곡을 한다.
불안정한 셀렌 정류기는 교체를 하여도 쉽게 이상이 생긴다. 카메라에서 셀레늄 노출계 수리해 본 경험이 있는 분들은 알 것이다. 실리콘 다이오드로 정류하면 전기가 달라집니꽈??!! 아주 오래된 기기들에서 센렌 정류기를 관찰할 수 있는데, 그것이 그리 비싼 재료도 아니고, 정말 좋은 것이라면, 아직까지 셀렌정류기가 대세였을 것이다. 셀렌 정류기가 제 기능을 못해도... 소리는 난다 ㄷㄷㄷ
물론 노후된, 정상적인 기능을 못하는 상태에서 나는 소리가 개성있게 심금을 울릴 수 있다. 고역이 잘리고, 저역이 확 퍼지는 소리들이 재미나게 들릴 수 있다.
이 지점에서의 고민은,
1.당시 설계자가 고안했던 소리의 실체에 다가가고 싶은 것인가.
2.여러겹의 시간이 지나 세월의 흔적이 짙게 깔린 소리(삶은 소리)를 듣고 싶은 것인가.
정답이 정해져있겠냐마는,
성향따라 가는 것이 맞다고 생각한다.
나의 선택은 1번~!

프리앰프 무용론을 펼치는 이들도 있지만, 프리앰프는 오디오 시스템의 지휘자 역할을 한다.
나 역시 프리앰프는 볼륨조절 및 단순한 셀렉터 중계기인줄만 알고 있었다.
왜곡을 최대한 줄이는 방법은 소스기와 파워앰프를 직결히는 것이겠지만, 과연 그것이 더 나은 소리를 보증하는가...
프리앰프를 거친 소리는 프리앰프의 특성을 따라 왜곡된 소리이다.
인간의 감각은 있는 그대로보다 왜곡된 것에 더 매혹되는 경향이 있다.
사진에서의 발색과 유사한 결의 이야기이다.
있는 그대로의 색채는 그다지 감동적이지 않다. 약간은 과장되고, 또는 꺼뜨려야 매혹적인 구성이 된다.
(벨비아<RVP50>나 프로비아<RDP100>는 재미있는데, E100은 좀 심심한 그런...)
프리앰프를 거치며, 음장감, 정위감, 입체감 등이 재배열된다.
물론 적절한 프리앰프를 사용할 때의 이야기이다.
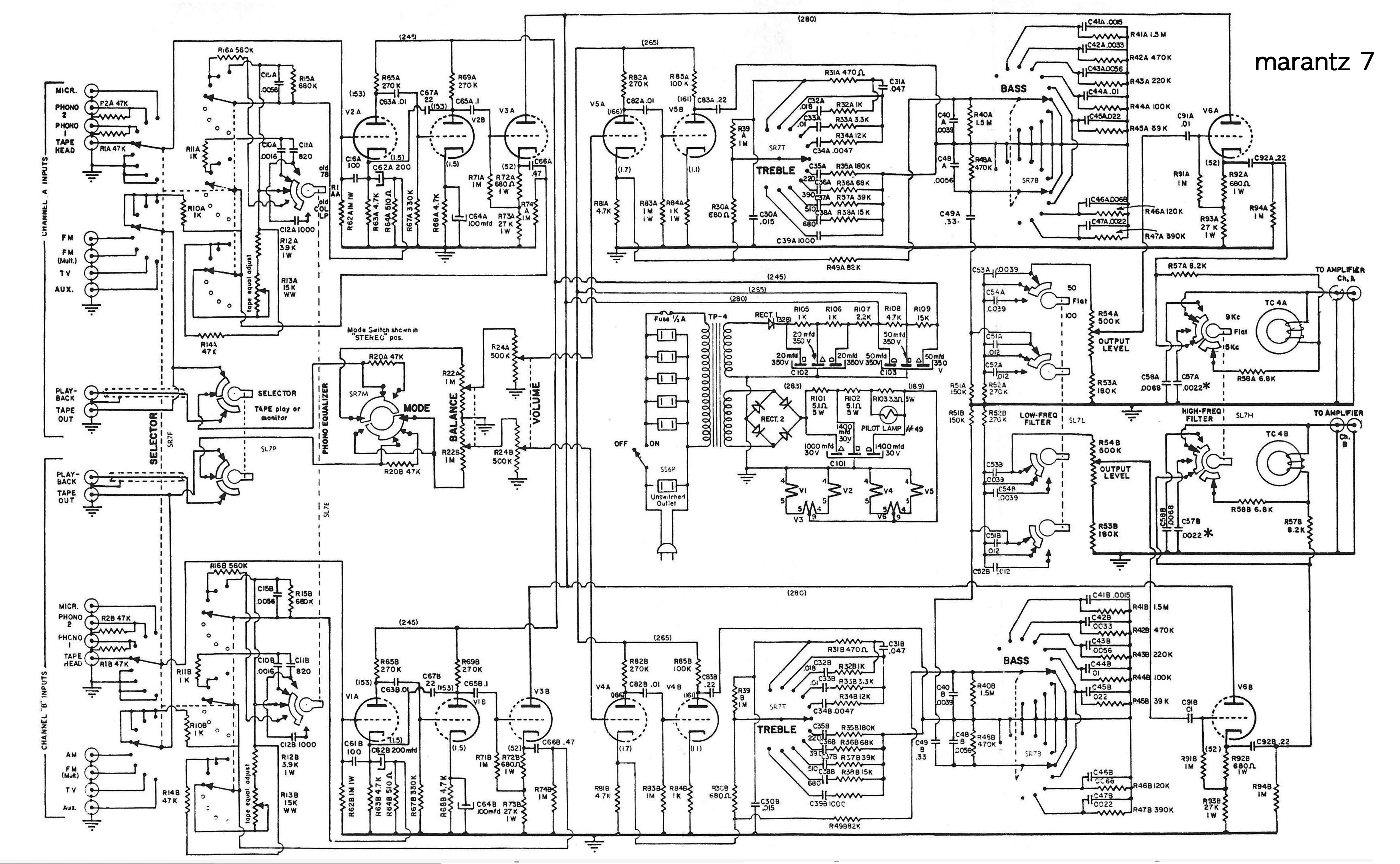
빈티지 프리앰프 중 많이 회자되는 것이 Marantz 7 과 Mcintosh C22 이다.
이 둘의 회로는 매우 완성도가 높으며, 지금까지도 자작 오디오 매니아들에 의해 재사용되고 있는 회로이다.
마란츠 7 은 디자인적으로도 매우 완성도가 높다.
오디오는 생긴대로 소리가 난다고 한다.
이뻐야 한다. 이뻐야 기분이 좋아지고, 이뻐야 소리가 좋다. 좋게 들린다. (소리는 귀로 듣지만, 인지하는 것은 결국 뇌~)
흔히들 마란츠7을 여성적이고 고운 음색으로 묘사하고 있다. 그렇다. 단정하고 얌전한 소리가 난다.
전설의 명기 마란츠 7 의 속살을 보면 어마무시한 양의 콘덴서가 들어있는 것을 확인할 수 있다.
bumble bee 를 닮았다고 해서 범블비 콘덴서로 불리는 전설의 페이퍼 오일 콘덴서는 전설의 명기 마란츠7에 대량 투입되면서 유명세를 얻었다.
실제로 후기에 나온 블랙뷰티 라고 불리는 필름콘덴서와 소리가 다르다고 전해진다.
다만, 범블비든 블랙뷰티든 단종된 지 오래이다.
더 오랜 역사를 자랑하는 범블비는 NOS(New old stock) 라고 하는 상태의 것을 구해도 실제로 맛이 가 있는 경우가 상당수이다.



이제는 멀쩡한 범블비를 구하기 불가능한 상태이고, 대체를 한다면 같은 용량의 블랙뷰티 콘덴서 등을 구할 수 있을 것이다. 그마저 곧 없어지겠지...
노후된 콘덴서들의 집합체인 Marantz 7c 와 마주해보자...
그렇다고 해서 소리가 아주 이상하게 나는가? 기준이야 저마다 다르겠지만, 소리가 나긴 난다. 셀렌이 정류를 제대로 해내지 못해 엉뚱한 전압이 걸려도 소리가 나긴 난다.
마란츠7 을 셋팅하고, 아... 이게 그 전설의 소리구나 하고 감동했던 기억이 난다. 포노단도 예술이었다.
마란츠7 은 여러 장인들에 의해서 복각되었는데, 국내의 KTS 오디오에서 만들었던 'Adagio' 나 'Sonnet' 이 유명하다.
(ADAGIO 는 마란츠 7의 톤 컨트롤까지 재현해 내어 유명하고, SONNET 는 톤 컨트롤을 빼고 외형은 마크레빈슨의 LNP-2을 오마쥬한 제품이다. 생생한 마란츠7 의 소리가 궁금하다면, 이런 복각 제품들을 사용하는 것도 좋은 방법이다.)
나는 한동안 Marantz 7을 즐기다, SWH 선배님께서 만들어주신 C22 복각 프리앰프와, KTS SONNET 의 소리를 들어보고는 곧바로 샵에 매입을 시켜버렸다. 그 이후로 나는 '마란츠7' 을 '똥란츠7' 이라고 폄하하여 부르고 있다.
예열되기 시작할 때는 공연장 밖에서 훔쳐 듣는 기분이 든다. 20-30분이 지나고 소리가 제대로 나기 시작하는데, 비교대상이 없을 때에는 몰랐지만, 복각품과 비교를 해서 들어보니... A석 구석(vintage)에 앉아서 듣다가 R석 중앙(복각)으로 이동한 기분이 들었다. 물론 명불허전인 포노단은 훌륭했다.
식자우환의 세계... 몰랐으면 그냥 듣고 살았을텐데...
누군가 이리 말할 수 있다. "내가 20년전에 겪어보았던 '마란츠7' 은 그렇지 않았다~! " 아, 20년, 20년전...
뭐 그럴 수도 있겠다.
사진판과는 달리 오디오는 공방 규모에서부터 중소기업까지 다양한 규모로 양산이 가능하기에 브랜드도 무척 종류가 많고, 각자 개성있는 소리들을 들려준다. 어느 개인이 모든 오디오를 섭렵하는 것은 불가능할 것이다.
심지어 같은 제품들조차 노화된 정도에 따라 다른 소리를 들려주니...
무엇을 쫓아갈 지는 각자가 선택하면 될 일이고,
어떤 것이 어떤 방법이 진리라는 식으로 재단하는 행동은 어리석은 일일 것이다.
SWH 선배님께서 늘 하시는 말씀이 있다.
오디오에서 정말 최고가 있었다면, 그것 외에는 절대 남아있지 않았을 것이라고, 결국 우열이 아니라 취향이라는 의미이다.
나는 뭐든 이쁜게 좋다.
나는 나의 시각적 및 청각적 감성이 맞아서 빈티지 오디오에 취했다.
나는 적정전압에서 적정 컨디션의 부품들이 조화롭게 내는 소리가 좋다.
빈티지 오디오를 즐기는 법,
생생한 소리를 좋아하든, 푹 삶아진 소리를 좋하하든 자신의 취향을 분명히 하고 접근해야 한다.
오래된만큼 제대로 고쳐서 쓸 수 있어야 한다.
그만큼 힘이 들고, 자칫하면 진절머리나게 미워질 수 있는 것이 빈티지 오디오이다...
오디오는 전기공학의 총체이고, 전기는 과학인데... 오디오 진짜, 과학 맞아요?? 하는 의문도 여러번...
나는 운좋게도 사진판에서 인연을 맺은 선배님들의 도움을 많이 받았다.
특히, 10대에 아버님께서 만들어주신 진공관 오디오로 입문하셨다는 50년 이상 경력의 초절정 고수 SWH 형님께 은혜를 많이 입었다. (진심으로 감사합니다.)
사진과 오디오는 여러가지로 비슷한 것이 참 많다.
어떤 분의 말씀처럼,
'오디오란 단순히 음악을 듣기 위한 도구 이상의,
설명하기 어려운 묘한 병을 수반하는 고상한 취미이다.'
카메라가 그런 것처럼...
'AUDIO' 카테고리의 다른 글
| NAIM NAIT2 and NAT02 (0) | 2023.03.01 |
|---|---|
| Speaker Enclosure (0) | 2023.02.26 |
| Myths in the Audio World (0) | 2022.10.30 |
| Don't listen through a vacuum tube amplifier (0) | 2022.10.23 |
| the way to enjoy music : AUDIO (0) | 2022.10.22 |